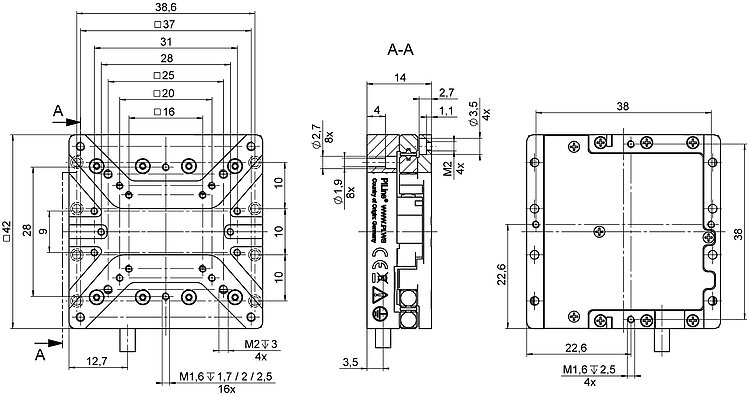
PILine® Lineartisch; PILine® Piezomotor, Leistungsklasse 1; 22 mm Stellweg; 5 N Belastbarkeit; 200 mm/s maximale Geschwindigkeit; inkrementeller Linearencoder, 10 nm Sensorauflösung; 1,5 m Kabellänge
U-523 PILine® Lineartisch
Kompakter Lineartisch mit Ultraschall-Piezomotor
- Schnelle Positionierung
- Platzsparend und leicht
- Hohe Führungsgenauigkeit
- Hohe Sensorauflösung von 10 nm
- Selbsthemmend im Ruhezustand, keine Wärmeentwicklung
- Geräuscharm im Betrieb
Linearpositionierer der Präzisionsklasse
PILine® Positionierer sind besonders für Anwendungen geeignet, die eine schnelle und präzise Positionierung erfordern. Der selbsthemmende Antrieb hält die Position im ausgeschalteten Zustand mechanisch stabil. Energieverbrauch und Wärmeentwicklung können somit erheblich verringert werden. Anwendungen mit geringer Einschaltdauer, die batteriebetrieben oder wärmeempfindlich sind, profitieren von diesen Eigenschaften. Die Achsenposition wird mit einem Encoder gemessen, und ein optischer Referenzschalter ermöglicht zuverlässig wiederholbare Bewegungen. Das piezomotorische Antriebsprinzip und dessen elektrische Ansteuerung sind preisgünstig und können kundenspezifisch ausgelegt werden.
PILine® Ultraschall-Piezomotor
Wesentlicher Bestandteil eines PILine® Ultraschall-Piezomotors ist ein Piezoaktor, der über ein Kopplungselement gegen einen beweglich geführten Läufer vorgespannt ist. Der piezokeramische Aktor wird mit einer hochfrequenten Wechselspannung zu Ultraschallschwingungen zwischen 100 und 200 kHz angeregt. Die Deformation des Aktors führt zu einer periodischen, diagonalen Bewegung des Kopplungselements zum Läufer. Je Zyklus beträgt der erzeugte Vorschub wenige Nanometer, die hohen Frequenzen führen zu den hohen Geschwindigkeiten. Die Vorspannung des piezokeramischen Aktors gegen den Läufer sorgt für die Selbsthemmung des Antriebs im Stillstand und im ausgeschalteten Zustand.
Hochgenaue Positionsmessung mit inkrementellem Linearencoder
Kontaktlose optische Linearencoder messen die Position mit höchster Genauigkeit direkt an der Plattform. Nichtlinearitäten, mechanisches Spiel oder elastische Deformation beeinflussen die Messung nicht.
Einsatzgebiete
Mikromanipulation, Automatisierung, Biotechnologie, Probenmanipulation, Probenpositionierung, Anwendungen mit begrenzten Platzverhältnissen, Vakuumanwendungen bis 10-6 hPa (optional).
Spezifikationen
Spezifikationen
| Bewegen | U-523.25 | Toleranz |
|---|---|---|
| Aktive Achsen | X | |
| Stellweg in X | 22 mm | |
| Maximale Geschwindigkeit in X | 200 mm/s | |
| Winkelabweichung um Y (Nicken) | ± 750 µrad | typ. |
| Winkelabweichung um Z (Gieren) | ± 150 µrad | typ. |
| Positionieren | U-523.25 | Toleranz |
| Kleinste Schrittweite in X | 0,1 µm | typ. |
| Referenzschalter | Optisch | |
| Integrierter Sensor | Inkrementeller Linearencoder | |
| Sensorauflösung | 10 nm | |
| Antriebseigenschaften | U-523.25 | Toleranz |
| Antriebstyp | PILine® Piezomotor, Leistungsklasse 1 | |
| Antriebskraft in X | 2 N | typ. |
| Mechanische Eigenschaften | U-523.25 | Toleranz |
| Zulässige Druckkraft in Z | 5 N | max. |
| Haltekraft in X, passiv | 2 N | min. |
| Führung | Kreuzrollenführung | |
| Gesamtmasse | 140 g | |
| Masse ohne Kabel | 70 g | |
| Material | Aluminium eloxiert | |
| Anschlüsse und Umgebung | U-523.25 | Toleranz |
| Betriebstemperaturbereich | 0 bis 40 °C | |
| Anschluss | D-Sub 15 (m) | |
| Kabellänge | 1,5 m | |
| Empfohlene Controller / Treiber | C-867.1U, C-867.10C885, C-867.2U2 |
Spezifikationen ermittelt mit Controller C-867.1U.
Sonderausführungen auf Anfrage.
Technische Daten werden bei PI bei 22 ±3 °C spezifiziert. Die angegebenen Werte gelten im unbelasteten Zustand, wenn nicht anders angegeben. Teilweise sind Eigenschaften voneinander abhängig. Die Angabe "typ." kennzeichnet einen statistischen Mittelwert für eine Eigenschaft; sie gibt keinen garantierten Wert für jedes ausgelieferte Produkt an. Bei der Ausgangsprüfung eines Produkts werden nicht alle, sondern nur ausgewählte Eigenschaften geprüft. Beachten Sie, dass sich einige Produkteigenschaften mit zunehmender Betriebsdauer verschlechtern können.
Downloads
Datenblatt
Dokumentation
Benutzerhandbuch MP178
Für U-523.25
3-D-Modelle
U-523.25 3D-Modell
Angebot / Bestellung
Fordern Sie ein unverbindliches Angebot über gewünschte Stückzahlen, Preise und Lieferzeiten an oder beschreiben Sie Ihre gewünschte Modifikation.
Angebot anfordern
Fragen Sie den Fachmann!
Erhalten Sie innerhalb kürzester Zeit per E-Mail oder Telefon eine Rückmeldung zu Ihren Fragen von einem PI Vertriebsingenieur.











